Základy testu
Test dvojitým pulzem se provádí za použití dvou součástek.
Jedna z nich je testovaná součástka (DUT – Device Under Test) a druhá je obvykle stejného typu jako DUT.
Všimněte si induktivní zátěže na „horní“ straně obvodu – indukčnost se používá k simulaci podmínek, které mohou nastat v návrhu měniče.
Použitá měřicí zařízení zahrnují:

Jak generovat řídicí signály hradla pro test
Nejjednodušší způsob, jak generovat řídicí signály hradla pro provedení dvojitého pulzního testu, je použití libovolného generátoru funkcí (AFG). AFG lze využít k vytvoření řídicího signálu hradla potřebného pro test. Model Tektronix AFG31000 lze zdarma rozšířit o nastavení pro Double Pulse Test, které umožňuje snadno vytvářet pulzy s různou šířkou.

Jak měřit časy sepnutí a rozepnutí a energetické ztráty
Osciloskop je ideální nástroj pro zachycení průběhů dvojitého pulzu, aby bylo možné určit parametry časů sepnutí a rozepnutí testované součástky. S osciloskopy Tektronix řady 4/5/6 B a aplikačním softwarem Wide Bandgap Double Pulse Test (Opt. WBG-DPT) máte všechny potřebné funkce po ruce. Volitelná výbava WBG-DPT nabízí automatické měření spínacích, časových a diodových parametrů zpětného zotavení podle norem JEDEC a IEC.

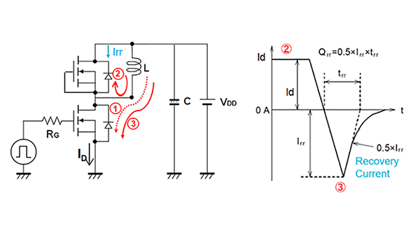
Měření zpětného zotavení (Reverse Recovery)
Doba zpětného zotavení diody je ukazatelem rychlosti spínání diody a tedy i faktorem, který ovlivňuje spínací ztráty v návrhu měniče. K zpětnému zotavení proudu dochází při sepnutí druhého pulzu. Jak je vidět na diagramu, dioda vede proud ve forwardovém směru během fáze 2.
Když se spodní MOSFET znovu sepne, dioda by měla okamžitě přejít do blokovacího (zpětného) režimu, avšak po krátkou dobu stále vede proud v opačném směru – tomu se říká proud zpětného zotavení (reverse recovery current). Tento proud představuje energetické ztráty, které přímo ovlivňují účinnost výkonového měniče.
